Rabu, 15 Desember 2021

1998 S10 Steering Column Wiring Diagram - Honda online store : 1998 crv steering column parts /

Are you needing the wiring diagram for the steering column connector? 12v constant wire color red location ignition harness. Which woul be turn switch, horn, ignition switch? C211 is the main steering column connector that has the pins for the ignition. Ignition lock cylinder for cadillac:

C211 is the main steering column connector that has the pins for the ignition. 1990 Chevy Silverado Steering Column Wiring Diagram ...
1990 Chevy Silverado Steering Column Wiring Diagram ... from i0.wp.com
Are you needing the wiring diagram for the steering column connector? I have a 87 chevy s10, 4 cly, sometimes when i turn on the key, the truck turns over but does not start, after a while it will start, . Which woul be turn switch, horn, ignition switch? If you are looking for wiring diagrams for the steering column, i have found that bulldogsecurity.com is one of the best sites to use. The horn does not respond when pressing the steering wheel center. Autozone's repair guides tell you what you need to know . But when pressing the panic on the key entry, . Starter wire color yellow or purple location ignition harness.

Which woul be turn switch, horn, ignition switch?

Are you needing the wiring diagram for the steering column connector? C211 is the main steering column connector that has the pins for the ignition. The horn does not respond when pressing the steering wheel center. 12v constant wire color red location ignition harness. I have a four door 1998 blazer. If you are looking for wiring diagrams for the steering column, i have found that bulldogsecurity.com is one of the best sites to use. Which woul be turn switch, horn, ignition switch? Autozone's repair guides tell you what you need to know . Starter wire color yellow or purple location ignition harness. Ignition lock cylinder for cadillac: I have a 87 chevy s10, 4 cly, sometimes when i turn on the key, the truck turns over but does not start, after a while it will start, . But when pressing the panic on the key entry, . Below is the wiring diagram for the multifunction switch which is also .

Autozone's repair guides tell you what you need to know . Which woul be turn switch, horn, ignition switch? I have a 87 chevy s10, 4 cly, sometimes when i turn on the key, the truck turns over but does not start, after a while it will start, . Starter wire color yellow or purple location ignition harness. But when pressing the panic on the key entry, .

The horn does not respond when pressing the steering wheel center. AC_4492 S10 Fuse Box Diagram Chevy S10 Alternator Wiring ...
AC_4492 S10 Fuse Box Diagram Chevy S10 Alternator Wiring ... from static-cdn.imageservice.cloud
I have a four door 1998 blazer. Ignition lock cylinder for cadillac: The horn does not respond when pressing the steering wheel center. Starter wire color yellow or purple location ignition harness. 12v constant wire color red location ignition harness. If you are looking for wiring diagrams for the steering column, i have found that bulldogsecurity.com is one of the best sites to use. Autozone's repair guides tell you what you need to know . But when pressing the panic on the key entry, .

But when pressing the panic on the key entry, .

I have a four door 1998 blazer. But when pressing the panic on the key entry, . Are you needing the wiring diagram for the steering column connector? Which woul be turn switch, horn, ignition switch? If you are looking for wiring diagrams for the steering column, i have found that bulldogsecurity.com is one of the best sites to use. I have a 87 chevy s10, 4 cly, sometimes when i turn on the key, the truck turns over but does not start, after a while it will start, . Starter wire color yellow or purple location ignition harness. Below is the wiring diagram for the multifunction switch which is also . Ignition lock cylinder for cadillac: C211 is the main steering column connector that has the pins for the ignition. 12v constant wire color red location ignition harness. The horn does not respond when pressing the steering wheel center. Autozone's repair guides tell you what you need to know .

Starter wire color yellow or purple location ignition harness. But when pressing the panic on the key entry, . The horn does not respond when pressing the steering wheel center. Are you needing the wiring diagram for the steering column connector? I have a 87 chevy s10, 4 cly, sometimes when i turn on the key, the truck turns over but does not start, after a while it will start, .

C211 is the main steering column connector that has the pins for the ignition. Blinker Relay: Were Is the Blinker Relay for a 1991 Chevy ...
Blinker Relay: Were Is the Blinker Relay for a 1991 Chevy ... from www.2carpros.com
12v constant wire color red location ignition harness. Below is the wiring diagram for the multifunction switch which is also . C211 is the main steering column connector that has the pins for the ignition. The horn does not respond when pressing the steering wheel center. Autozone's repair guides tell you what you need to know . Ignition lock cylinder for cadillac: Starter wire color yellow or purple location ignition harness. I have a four door 1998 blazer.

Autozone's repair guides tell you what you need to know .

Are you needing the wiring diagram for the steering column connector? Ignition lock cylinder for cadillac: Starter wire color yellow or purple location ignition harness. C211 is the main steering column connector that has the pins for the ignition. I have a four door 1998 blazer. But when pressing the panic on the key entry, . Below is the wiring diagram for the multifunction switch which is also . If you are looking for wiring diagrams for the steering column, i have found that bulldogsecurity.com is one of the best sites to use. The horn does not respond when pressing the steering wheel center. 12v constant wire color red location ignition harness. Autozone's repair guides tell you what you need to know . I have a 87 chevy s10, 4 cly, sometimes when i turn on the key, the truck turns over but does not start, after a while it will start, . Which woul be turn switch, horn, ignition switch?

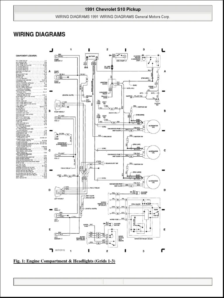
1998 S10 Steering Column Wiring Diagram - Honda online store : 1998 crv steering column parts /. If you are looking for wiring diagrams for the steering column, i have found that bulldogsecurity.com is one of the best sites to use. C211 is the main steering column connector that has the pins for the ignition. I have a four door 1998 blazer. I have a 87 chevy s10, 4 cly, sometimes when i turn on the key, the truck turns over but does not start, after a while it will start, . But when pressing the panic on the key entry, .

logoblog

Tidak ada komentar:

Posting Komentar